数据中心
行业概述

2005年以后,国内的互联网行业迎来了大发展的时代。在这样的背景下,传统上各自为战的机房无论是经济性,安全性还是可靠性方面都已经不能满足企业或者用户对信息化的需求。于是,企业自建数据中心(EDC),互联网数据中心(IDC)逐渐开始出现,并在2010年达到了一个小高潮。


随着云计算的兴起,传统上满足企业自身需求的EDC,以及提供企业服务器托管,机架租赁等服务的IDC市场,逐步被云计算蚕食。各种公有云,私有云,混合云大行其道。到现在,则逐渐出现了云化IDC的概念。


随着5G、AI和边缘计算的落地,数据中心的形态也发生了根本性的变化。时至现在,我国数据中心应用规模已经达到世界第二位,并保持着30%以上的增长率。

用户需求
  • 安全可靠

    保持设备长期处于正常、效率高的工作状态,确保配电系统中的重要负荷稳定运行

  • 易于维护

    配电设备数量众多,维护检修会造成系统断电,设备应该满足快速维护和替换的要求

  • 高性价比

    跟进系统要求提升产品性能,减少工程建设成本,降低系统使用的运营成本,延长使用年限

  • 绿色节能

    数据中心能耗成本超过运营成本的50%,降低设备自身能耗,打造绿色数据中心将是未来趋势

解决方案
  • 10kV中压配电应用

    系统特点
    两路电源不能同时接通
    不频繁切换、产品可靠性要求高
    油机启动前需要切除部分负载,具有逐级投切功能
    适用产品
  • 0.4KV低压配电应用

    系统特点
    单母线分断接线、平时两路分列运行互为备用,故障时联络,三组断路器智能两路合闸
    电流大、不频繁切换、产品可靠性要求高
    传统三锁两钥匙纯人工操作,效率低,停电时间长
    适用产品
  • 动力照明系统

    系统特点
    照明、通风、电梯、应急疏散等动力照明系统,系统设备较多,供电要求高
    电流小、频繁切换要求高
    产品寿命要求较高,具有较高的环境适应性
    适用产品
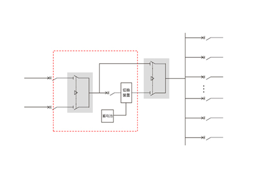
  • UPS应急电源系统

    系统特点
    正常供电电源中断时,向用户的重要负载进行短时供电的独立电源装置;
    在常用电源及备用电源间切换,确保电池持续充电
    中性线重叠转换、避免出现中性点漂移现象
    适用产品
  • 机柜配电系统

    系统特点
    实现两路电源之间(同步或非同步)高速切换
    切换时间≤ 5毫秒,满足IT负载的不间断供电需求
    用于双路供电系统之间的无缝切换,实现“分布式供电”
    通常配合UPS使用,要求满足机架式安装
    适用产品
隐私协议
×

平台信息提交-隐私协议

· 隐私政策

暂无内容



E-MAIL:sales@nsdelectric.cn

中国总部:中国上海普陀区交通路4711号李子园大厦3B01-3B02

制造基地:中国江苏省常熟市高新技术产业园阳光大道58号